Fiche du Char : AMX-30 EBG F1

Détails
??
?

Informations Générales

?

Informations Historiques

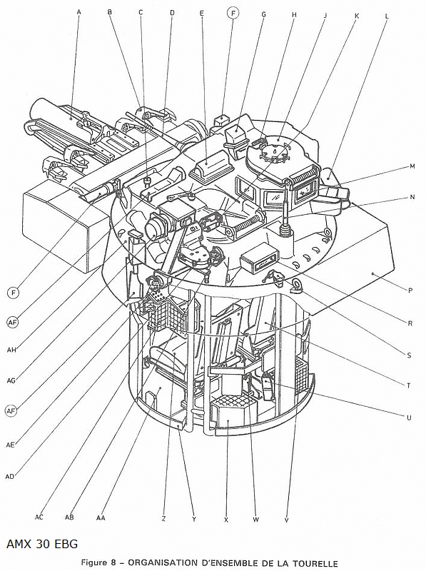
L’engin blindé du génie (EBG) est un char du génie monté sur le même châssis que les chars AMX-30B2. Sa mission est de dégager et préparer la voie pour d'autres engins
Destiné à remplacer le Véhicule de combat du génie (VCG), basé sur un châssis d'AMX-13 et datant des années 1970, l'engin blindé du génie voit sa conception commencer à la fin des années 1980. Dérivé de l'AMX-30B2, il a pour missions d'aider à la mobilité et à la contre-mobilité. Il est ainsi chargé des missions d'ouverture et de fermeture d'itinéraires, d'aménagement de gués, de dégagement d'obstacles. Il est par ailleurs capable d'effectuer ses missions dans un environnement contaminé (NRBC)

Alors qu'ils sont encore en expérimentation, les premiers EBG entrés en service en 1989[3] sont envoyés en Arabie saoudite pour participer à la Guerre du Golfe. Cependant ceux-ci ne sont pas utilisés en première ligne car leurs équipages ne sont pas encore familiarisés avec le matériel. Leur utilisation au cours du conflit démontre que l'engin n'est pas encore mature et nécessite d'être amélioré : l'armement de bord est insuffisant pour assurer sa protection, le canon de démolition doit être amélioré. Entre 1997 et 1998, le moteur Hispano Suiza d'origine est remplacé par un moteur diesel Mack E9 (8 cylindres à plat) de 750 cv avec une suralimentation à deux étages comprenant quatre turbos. Ses charsont une capacité de 990 litres de gazole et 90 l de liquide de refroidissement.

En 2006, 36 EBG sont répartis dans 12 compagnies (3 EBG par compagnie) au sein de quatre régiments de génie, six sont pour instruction dans diverses écoles de maintenance, douze étant à transformer et revaloriser


Information en Jeu

?

X